网站首页
公司简介
产品展示
新闻动态
环保途径
资质荣誉
在线留言
联系我们
1
2
3
环境公开
镀银产品
彩镀产品
电镀产品
镀铬产品
镀锌产品
镀铜产品
磷化产品
镀金设备
电镀工艺
电镀生产车间
电镀生产线
反渗透设备
联系我们
泰安宏达电镀有限公司
联系人:陈经理
手机:13375388200
电话:0538-2111666
地址:泰安市青春创业园创业路
网址:www.taiandiandu.com
新闻动态
/ NEWS
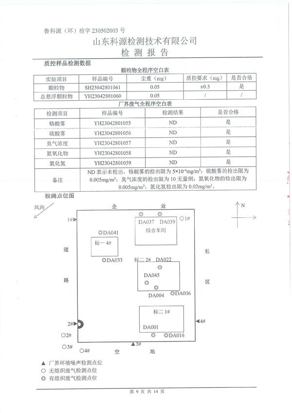
23年上半年废气检测报告
23年上半年废气检测报告 2023-5-18 本文被阅读 1260 次
上一篇:
23年宏达电镀地下水、土壤检测报告
下一篇:
排污许可证申领信息公开情况说明表
泰安宏达电镀
泰安电镀产品处理厂家
泰安电镀废水处理
电镀工艺
泰安污水处理设备厂家
泰安电镀
电镀废水处理工艺
版权所有:泰安市宏达电镀有限公司
联系人:陈经理 手机:13375388200 电话:0538-2111666 地址:泰安市青春创业园创业路 网址:www.taiandiandu.com 邮编:271000
鲁ICP备19012118号-1